前言
無線充電在小型可攜式以及穿戴裝置越來越普遍,因為裝置如果沒有外露的接頭與連結埠,不僅比較不容易損壞,而且終端使用者經驗也大幅簡化。類似克服像助聽器這類小型裝置面臨空間受限的難題, LTC4124整合無線電源管理器 – 將從交流電變成的無線共振能量轉換成調節後的直流電壓。這個直流電壓再饋送到一個全功能線性電池充電器,藉以提供運轉良好的電池充電週期。這樣高度整合造就出體積極小但功能完整的無線充電方案,僅須搭配一個接收器共振槽以及電池就能運作。LTC4124是一款高效能100 mA鋰離子電池無線充電器接收晶片,提供微小的整體解決方案,僅須搭配少量的外部元件,因此適合空間受限的應用。LTC4124 搭配元件為LTC4125—這款無線電源傳輸器具有最適功率搜尋以及外物偵測功能 – 因此能建構出安全且高效率的無線充電環境
高效率無線電源管理器
如圖2所示,當LTC4124接收到的能量超過為電池充電所需的能量,此時IC內的無線功率管理器就會讓輸入電壓維持在IC內,將接收器共振槽接地,藉以壓低 VCC電壓。透過這種方式,線性充電器能維持高效率,因為輸入能量永遠維持在略高於電池電壓VBATT的水準。當連上分流電路(shunting circuit)時,共振槽收到的電就會減少,因為共振頻率會和傳送器頻率失調(detuned)。

圖1. 完整的6 mm無線電池充電器解決方案

圖2. 交流輸入的整流以及直流輸電電壓的穩壓
運用LTC4125傳送晶片建構完整的無線充電方案
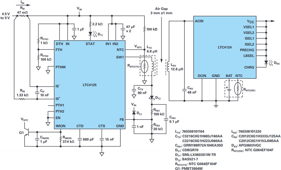
圖3顯示的LTC4125是一款高效能 AutoResonant™ 無線傳送器,為無線充電應用提供完整的保護功能。LTC4125內建的最適功率搜尋功能會根據接收器負載需求調整傳送功率。另外LTC4125還支援多種外物偵測方法,能避免其他物體從傳送器收到能量。
在搭配LTC4124時,LTC4125 全橋共振驅動器能轉換成半橋驅動器,利用更細解析度的搜尋步階,讓低功率接收器僅收到足夠的電源來為電池充電。電池快充飽電時,LTC4124就會進入恒壓模式,並降低調節的充電電流。LTC4125會自動化減少輸送功率,以配合接收器較低功率需求。這種機制除了有助降低充電週期的功率消耗,還能壓低LTC4124充電晶片與電池的溫度。
圖4顯示在全功率以及電流限制共振器電壓模式下,接收器電路的溫度。兩種狀況的溫度都低於室溫攝氏40度。

圖3. 一個100 mA 的LTC4124充電器接收晶片搭配 LTC4125 AutoResonant傳送器,進行最適功率搜尋作業

圖4. 熱性能比較: (a) 輸出4.1 V 時進行100 mA 電流的充電 (b) 輸出4.2 V時進行10 mA 電流的充電
充電器接收晶片遠離傳送器時,LTC4125就搜尋不到有效負載,並將功率調降到待機模式,如圖5所示。圖6顯示當外來金屬物置於傳送器 - LTC4125會偵測到一個高共振頻率,然後進入等待模式。

圖5. LTC4125在沒有偵測到接收器時的運作狀況

圖6. LTC4125 偵測到外物
總結
LTC4124 整合一個無線功率管理器以及一個全功能鋰電池充電器,針對各種空間受限應用簡化無線充電接收器的設計。LTC4125能用作為LTC4124接收器的半橋傳送器,建構出受妥善保護的完整高效率無線充電解決方案。
聯繫我們
安馳科技 LINE 官方帳號👉https://lin.ee/5gcKNi7
安馳科技 Facebook 官方帳號👉https://www.facebook.com/ANStek3528
申請樣品、報價及技術支援👉marketing.anstek@macnica.com